三通法蘭球閥
產品概覽
1、氣動三通球閥,三通球閥在結構上采用一體式結構,4側閥座密封式,法蘭連接少,可靠性高,設計實現輕量化;
2、三通球閥門使用壽命長、流量大、阻力??;
3、三通球閥按作用分單作用和雙作用兩種,單作用型的特點是一旦電源故障,球閥就會在控制系統中國家要求;
4、球閥和閘閥是同一種閥門,不同之處在于它的關閉部分是一個球體,球體圍繞閥體中心線旋轉以開啟和關閉閥門。球閥主要用于管道中用于切斷、分配和改變介質的流動方向。球閥是一種應用廣泛的新型閥門。
產品結構
主要零件材料
| 材料名稱 |
碳鋼 |
不銹鋼 |
|
|
閥體 |
WCB |
CF8 |
CF8M、CF3M |
|
閥蓋 |
WCB |
CF8 |
CF8M、CF3M |
|
球體 |
304 |
304 |
316 |
|
閥桿 |
304 |
304 |
316 |
|
閥座 |
PTFE、RPTFE |
||
|
填料 |
PTFE?/ 柔性石墨 |
||
|
壓蓋 |
WCB |
CF8 |
|
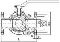
主要外形尺寸
|
DN |
L |
PN16 |
D |
D1 |
D2 |
C |
N-ΦB |
150LB |
D |
DI |
D2 |
C |
N-ΦB |
10K |
D |
D1 |
D2 |
C |
N-ΦB |
|
15 |
150 |
95 |
65 |
45 |
14 |
4-14 |
90 |
60.3 |
34.9 |
10 |
4-16 |
95 |
70 |
52 |
12 |
4-15 |
|||
|
20 |
160 |
105 |
75 |
55 |
14 |
4-14 |
100 |
69.9 |
42.9 |
10.9 |
4-16 |
100 |
75 |
58 |
14 |
4-15 |
|||
|
25 |
180 |
115 |
85 |
65 |
14 |
4-14 |
110 |
79.4 |
50.8 |
11.6 |
4-16 |
125 |
90 |
70 |
14 |
4-19 |
|||
|
32 |
200 |
135 |
100 |
78 |
16 |
4-18 |
115 |
88.9 |
63.5 |
13.2 |
4-16 |
135 |
100 |
80 |
16 |
4-19 |
|||
|
40 |
220 |
145 |
110 |
85 |
16 |
4-18 |
125 |
98.4 |
73 |
14.7 |
4-16 |
140 |
105 |
85 |
16 |
4-19 |
|||
|
50 |
240 |
160 |
12b |
100 |
16 |
4-18 |
150 |
120.7 |
92.1 |
16.3 |
4-19 |
155 |
120 |
100 |
16 |
4-19 |
|||
|
65 |
260 |
180 |
145 |
120 |
18 |
4-18 |
180 |
139.7 |
104.8 |
17.9 |
4-19 |
175 |
140 |
120 |
18 |
4-19 |
|||
|
80 |
280 |
195 |
160 |
135 |
20 |
8-18 |
190 |
152.4 |
127 |
19.5 |
4-19 |
185 |
150 |
130 |
18 |
8-19 |
|||
|
100 |
320 |
215 |
180 |
155 |
20 |
8-18 |
230 |
190.5 |
157.2 |
24.3 |
8-19 |
210 |
175 |
155 |
18 |
8-19 |
|||
|
125 |
380 |
250 |
210 |
188 |
22 |
8-18 |
255 |
215.9 |
185.7 |
24.3 |
8-19 |
250 |
210 |
182 |
20 |
8-23 |
|||
|
150 |
440 |
285 |
240 |
212 |
22 |
8-22 |
280 |
241.3 |
215.9 |
25.9 |
8-22 |
280 |
240 |
212 |
22 |
8-23 |
主要外形尺寸(高平臺)
|
DN |
L |
ISO5211 |
TXT |
PN16 |
D |
D1 |
D2 |
C |
N-ΦB |
150IB |
D |
D1 |
D2 |
C |
N-ΦB |
10K |
D |
D1 |
D2 |
C |
N-ΦB |
|
15 |
180 |
F03/F04 |
9X9 |
95 |
6S |
45 |
14 |
4-14 |
90 |
60.3 |
34.9 |
10 |
4-16 |
95 |
70 |
52 |
12 |
4-15 |
|||
|
20 |
190 |
F03/F04 |
9X9 |
105 |
75 |
55 |
14 |
4-14 |
100 |
69.9 |
42.9 |
10.9 |
4-16 |
100 |
75 |
58 |
14 |
4-15 |
|||
|
25 |
215 |
F04/F05 |
11X11 |
115 |
85 |
65 |
14 |
4-14 |
110 |
79.4 |
50.8 |
11.6 |
4-16 |
125 |
90 |
70 |
14 |
4-19 |
|||
|
32 |
230 |
F04/F05 |
11X11 |
135 |
100 |
78 |
16 |
4-18 |
115 |
88.9 |
63.5 |
13.2 |
4-16 |
135 |
100 |
80 |
16 |
4-19 |
|||
|
40 |
255 |
F05/F07 |
14X14 |
145 |
110 |
85 |
16 |
4-18 |
125 |
98.4 |
73 |
14.7 |
4-16 |
140 |
105 |
85 |
16 |
4-19 |
|||
|
50 |
280 |
F07 |
17X17 |
160 |
125 |
100 |
16 |
4-18 |
150 |
120.7 |
92.1 |
16.3 |
4-19 |
155 |
120 |
100 |
16 |
4-19 |
|||
|
65 |
310 |
F07 |
17X17 |
180 |
145 |
120 |
18 |
4-18 |
180 |
1397 |
104.8 |
17.9 |
4-19 |
175 |
100 |
120 |
18 |
4-19 |
|||
|
80 |
340 |
F07/F10 |
17X17 |
195 |
160 |
135 |
20 |
8-18 |
190 |
152.4 |
127 |
19.5 |
4-19 |
185 |
150 |
130 |
18 |
8-19 |
|||
|
100 |
390 |
F07/F10 |
22X22 |
215 |
180 |
155 |
20 |
8-18 |
230 |
190.5 |
1572 |
24.3 |
8-19 |
210 |
175 |
155 |
18 |
8-19 |
|||
|
125 |
380 |
? | ? |
250 |
210 |
188 |
22 |
8-18 |
255 |
215.9 |
185.7 |
24.3 |
8-19 |
250 |
210 |
182 |
20 |
8-23 |
|||
|
150 |
440 |
? | ? |
285 |
240 |
212 |
22 |
8-22 |
280 |
241.3 |
215.9 |
25.9 |
8-22 |
280 |
240 |
212 |
22 |
8-23 |
?











